Die Bessamatic ist mit einem photoelektrischen Belichtungsmesser aus einer Selenzelle und einem justierbaren Drehspulmeßwerk ausgerüstet. Das Photoelement aus dieser Selenzelle liefert bei Lichteinfall elektrischen Strom. Dadurch wird bei der Bessamatic-Kamera auch für die Belichtungsmessung keine Batterie benötigt.
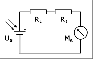
Hier eine kurze Erläuterung des Funktionsprinzips anhand des Stromlaufplans links. Bei der Messung wird von einem lichtempfindlichen Selen-Photoelement (Us) eine kleine elektrische Spannung erzeugt. Der Strom wird durch zwei in Reihe geschaltete Kohleschichtwiderstände (R1, R2) begrenzt. Diese setzten die Anzeige des Meßwerks (MA) in die, für die Fotografie üblichen Werte für Blende und Belichtungszeit um. Eine Zeigernadel, die im Sucher zu sehen ist (siehe Bild unten links), wird durch das Meßwerk angesteuert.
Dieser photoelektrische Belichtungsmesser der Bessamatic deckt einen Meßbereich von 12 asb bis zu 100.000 asb ab (1 asb = 0,318 cd/m²) und führt bauartbedingt eine klassische Integralmessung durch. |
|
Optimiert ist der Belichtungsmesser für die Mehrheit aller Fotos, welche in der horizontalen Ausrichtung einer Kamera aufgenommen werden. Für vertikale Aufnahmen sollte also erst eine vergleichende Messung in "Kamera-Querhaltung" erfolgen bevor dann ein Foto im Hochformat geschossen wird.
|
Einstellen der Belichtung |
Der Belichtungsmesser ist mit der Zeit - Blenden - Wahl gekuppelt. Das heißt, die Einstellung der Zeit- Blendenkombination erfolgt mit Hilfe eines Nachführzeigers. Hierbei wird erst die Zeit eingestellt und dann die Blende "nachgeführt".
Diese Nachführung funktioniert folgendermaßen:
Ein Zeiger mit einer runden Nachführmarke, der mit dem Blendenwahlrad verbunden ist, wird mit der durch den Belichtungsmesser geführten Zeigernadel zur Deckung gebracht (Bild links). An den Einstellringen des Verschlusses kann nun eine mögliche Zeit- Blendenkombination abgelesen werden. Wird eine andere zur richtigen Belichtung passende Kombination gewünscht, kann man durch Drehen des Verschlußrings (schwarze Drehgriffe) diese einstellen. Die vorher eingestellte Zeigerdeckung der Nachführautomatik verändert sich dadurch nicht, da sowohl Blende als auch Belichtungszeit gleichzeitig verändert werden. Schon bei der Bessamatic hat man also eine Art "program shift" realisiert.
|
Verwendung von Filtern |
Da mit dem Selenbelichtungsmesser eine Messung durch das Objektiv nicht möglich ist, müssen die Filterfaktoren extra berücksichtigt werden. Dieses kann durch die Wahl einer anderen Blende, mit Hilfe einer Skala vor dem Blendenwahlrad, geschehen. Die Skala zeigt die Filterverlängerungsfaktoren von 1,5 bis 5 und kein Verlängerungsfaktor. Dabei entspricht einem Faktor von 2 (Lichtwert -1) etwa einer Blende. In dem Kapitel Filterkunde ist hierzu eine Tabelle zu finden. Als Einstellhilfe für den Verlängerungsfaktor befindet sich unter dem Blendenwahlrad eine Markierung mit abwechselnd roten und schwarzen Punkten. Ein gezieltes Über- oder Unterbelichten um einen bestimmten Blendenwert wird durch diese Skala auch leicht möglich.
|
|
Lichtmessung
|
In den meisten Fällen eignet sich die Objektmessung zur Ermittlung der "richtigen" Belichtung. Der Belichtungsmesser kann, so wie er ist, dafür verwendet werden.
Jeder Bessamatic, mit Ausnahme der "CS" und der "m", liegt aber zusätzlich noch eine Diffusorscheibe bei. Für eine Lichtmessung wird dieser Diffusor vor das Wabenfenster des Belichtungsmessers gesteckt. Damit dieses kleine Teil nicht verlorengeht, hält das Oberteil der Bereitschaftstasche eine Gummilasche zur Aufbewahrung bereit.
|
Haltbarkeit von Selenzellen
Leider unterliegen auch die Selenzellen einem Alterungsprozeß. Über die Lebensdauerprüfungen gibt es zwar nur wenige Veröffentlichungen, man kann aber von einer Konstanz der Empfindlichkeit von mehr als 7500 Betriebsstunden ausgehen. Die Haltbarkeit der Zellen wird allerdings nicht nur durch den Alterungsprozeß (Nachlassen der Isolation, chemische Veränderung der aktiven Schicht) alleine bestimmt. Überlastungen, wie zum Beispiel direktes Sonnenlicht, beschleunigen das Auftreten von Ermüdungserscheinungen. )*
Irgendwann muß der Belichtungsmesser eventuell eben doch nachjustiert werden, weil die Selenzelle an ihre Haltbarkeitsgrenze gekommen ist. Nach weiteren Jahren kann die Zelle dann soweit erschöpft sein, daß eine Justage des Belichtungsmessers auch gar nicht mehr möglich ist. Der erzeugte Strom ist nun einfach zu gering um das Meßwerk entsprechend ansteuern zu können. Der Belichtungsmesser hat dann leider sein "seliges Ende" erreicht und kann jetzt auch nicht mehr wiederbelebt werden.
Die Lagerung der Kamera ist deshalb von großer Wichtigkeit. Um die Alterung der Selenzellen möglichst weit hinaus zu zögern sollten unnötige Betriebszeiten und Überlastungen der Selenzellen vermieden werden. Dafür ist es erforderlich die Kameras dunkel zu lagern und vor direktem Sonnenlicht zu schützen (Bereitschaftstasche, geschlossener Schrank, o. ä.). Gut gelagerte Kameragehäuse können heute durchaus noch einwandfrei funktionieren.
Vorsicht geboten ist deshalb insbesondere bei sogenannten "Vitrinenstücken". Legt man Wert auf eine funktionsfähige Kamera und will seine Bessamatic auch noch fotografisch einsetzen, kann nur eins gelten: Eine Kamera mit Selenbelichtungsmesser gehört nicht in die Vitrine!
)* Quelle: Lichtelektrische Zellen und ihre Anwendung von Helmut Simon und Rudolf Suhrmann |
Genauigkeit des Belichtungsmessers Eine eventuelle Fehlanzeige läßt sich nur durch genauere Prüfung ermitteln. Auf "die Schnelle" ist das leider nicht erledigt, wenn der Belichtungsmesser noch auf unterschiedliche Beleuchtungen reagiert. Eine schwache Selenzelle erzeugt immer noch, wenn auch einen zu geringen, Strom. Sie zeigt dann allerdings eine Zeit- Blendenkombination, die zu einer Überbelichtung des Bildes führt. Zur Analyse darf man das Fotolabor ebenfalls nicht außeracht lassen. Bei der Entwicklung werden oft auch noch "Korrekturen" durchführt.
Die Genauigkeit selbst hängt im Wesentlichen von zwei Faktoren ab. Zum Einen ist ein exaktes und reproduzierbares Einstellen bei diesem mechanischen System "Zeiger mittig im Ring" kaum möglich. Zum anderen ist zu bedenken, daß die Genauigkeit der Selen- aber auch der CdS-Belichtungsmesser nicht mit der Technik heutiger Kameras vergleichbar ist. Abweichungen von ±1 Lichtwert sind bei den alten Bessamtic Kameras kein Grund zur Besorgnis und durchaus noch als normal zu bewerten. |
Justage des Belichtungsmessers |
 Voigtländer hat den Belichtungsmesser mit einer Einstellschraube versehen (Bild rechts). Sieht man von hinten auf die Kamera, befindet sich links neben dem Sucher eine kleine runde Abdeck-Kappe (Bild links; nicht bei Ur-Bessamatic, Bessamatic M und CS). Genau hinter dieser Abdeck-Kappe liegt besagte Verstellschraube. Durch das Loch in der oberen Kamera-Kappe konnte während der Produktion der Belichtungsmesser sehr einfach eingestellt werden.
Leider hat Voigtländer hierbei nicht an einen eventuellen Servicefall gedacht. Die runde Abdeck-Kappe ist derart fest mit der obere Kamera-Kappe verpreßt worden, daß sie sich nicht mehr zerstörungsfrei lösen läßt. Ein einfaches Nachstellen des Belichtungsmessers bleibt uns daher versagt.
Will man den Belichtungsmesser neu justieren, ist also eine Demontage der oberen Kamera-Kappe notwendig. Diese Demontage und das Wiederzusammensetzen der Kamera ist mit einigem Aufwand verbunden und ohne fundierte Kenntnisse und den entsprechenden Werkzeugen nicht zu bewältigen.
Daher mein Tip: Sollte der Belichtungsmesser nicht (oder nicht mehr) wie gewünscht anzeigen, kann eine Korrektur durch das Einstellen eines entsprechenden Filterfaktors realisiert werden. Auch die Filmempfindlichkeit kann genutzt werden um mit einer etwas schwachen Selenzelle noch eine Weile "leben" zu können. |
Bessamatic ohne Selenbelichtungsmesser Bei der preisgünstigen Variante, der Bessamatic m, wurde auf einen Belichtungsmesser völlig verzichtet. Die Bessamatic CS wurde dagegen schon mit einem batteriebetriebenen CdS-Belichtungsmesser ausgerüstet, der eine Belichtungsmessung durch das Objektiv (TTL) ermöglicht. Hier wird die Belichtung durch eine Offenblendenmessung ermittelt.
|